Sähkönjakelun alkuajoista alkaen sulakkeilla on suojattu sähköverkkoja ylikuormitustilanteiden varalta. Perinteiset sulakkeet ovat helppokäyttöisiä, mutta ne eivät ole joustavia eivätkä älykkäitä. Nykyajan sovelluksissa, joiden sovellusalue vaihtelee teollisuusautomaatiosta kulutuselektroniikkaan, tarvitaan kehittyneitä suojausominaisuuksia, kuten säädettäviä virtarajoja, lämpötilasuojauksia ja nopeaa reagointia vikatilanteisiin.
|
Kirjoittaja: Norman Röder, Toshiba Electronics Europe GmbH |
Tässä artikkelissa perehdytään siihen, miten piipohjaiset sulakkeet vastaavat mainittuihin vaatimuksiin tarjoamalla perinteisiin ratkaisuihin verrattuna älykkäämpää, turvallisempaa ja tehokkaampaa ylivirtasuojausta.
Perinteisten sulakkeiden rajoituksia
Sulakkeita on käytetty pitkän aikaa yksinkertaisina, kertakäyttöisinä piirikomponentteina ylikuormitustilanteilta suojautumisessa. Ne on suunniteltu rikkoutumaan ja siten katkaisemaan virrankulku ongelmatilanteissa, jolloin ne estävät teholähteitä ja muita sähköverkkoon yhdistettyjä laitteita rikkoutumasta, vähentävät kuumentuneista johtimista aiheutuvaa tulipalovaaraa ja suojaavat käyttäjiä sähköiskuilta korkeajännitteisissä järjestelmissä. Kun sulake laukeaa, joudutaan järjestelmä testaamaan ja sulake korvaamaan uudella, mikä onnistuu helposti, jos komponentit ovat käden ulottuvilla, mutta on haastavampaa, jos kyseessä on rakenteeltaan tiivistetty tai kentällä sijaitseva asennus.
Uudelleen asetettavat sulakkeet, kuten polymeeriset positiivisen lämpötilakertoimen (PPTC) laitteet, vastaavat osittain edellä mainittuihin haasteisiin. Niiden vastus kasvaa vikatilanteissa rajoittaen virran kulkua ja palautuu jäähdyttäessä lähelle normaalia vastusarvoa, minkä ansiosta ne soveltuvat esimerkiksi USB-porttien kaltaisiin sovelluksiin. PPTC-laitteilla on kuitenkin haittapuolia: hitaat (useiden sekuntien) reagointiajat, laukeamisen jälkeiset jäännösvirrat ja herkkyys ympäristön lämpötiloille, mikä edellyttää huolellisesti tehtyä analyysiä lämpörasituksista.
Sen lisäksi, että perinteiset sulakkeet ovat kertatoimisia, niillä on monia muitakin rajoituksia. Niiden reaktioajat ovat tyypillisesti yli yhden sekunnin mittaisia. Ne kärsivät myös toleransseihin liittyvistä ongelmista, sillä laukeamisvirta voi vaihdella ±25 %, mikä vaikeuttaa tarkkaa suojausta. Käynnistysvirtasysäysten käsittely on myös haastavaa, ja usein käytetäänkin viivästettyjä sulakkeita, jotta käynnistyksestä johtuvien piikkien vaikutus saadaan eliminoitua.
Nykyajan elektronisille järjestelmille eivät yksinkertaiset ylivirtasuojaukset ole riittäviä. Perinteisiltä sulakkeilta ja PPTC-komponenteilta puuttuvat sellaiset ominaisuudet kuin riittävä tarkkuus, sovitettavuus ja etäohjauskyvykkyys, jotka ovat yhä tärkeämpiä sovelluksissa kulutuselektroniikasta teollisuusautomaatioon. Näihin haasteisiin vastaamiseksi on kehitetty varteenotettavaksi vaihtoehdoksi piipohjaiset elektroniset sulakkeet (eFuse:t), joissa yhdistyvät puolijohteiden luotettavuus sekä tehokkaat ja tarkat suojaustoiminnot, joihin perinteiset sulakkeet eivät kykene, mukaan lukien integroitu vikadiagnostiikka.
Miten eFuse toimii?
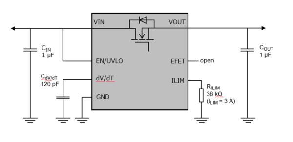
Komponentti eFuse perustuu pienresistanssiseen MOSFET-kytkimeen, jota ohjataan integroidulla virtaa tunnistavalla piirillä (kuva 1). Kun virta ylittää ennalta asetetun rajan, kytkin avautuu muutaman mikrosekunnin vasteajan kuluessa, jolloin ylilämpeneminen ja teholähteen, kaapeloinnin ja liitettyjen laitteiden vikaantuminen estetään paljon tehokkaammin kuin perinteisillä ratkaisuilla. Toisin kuin perinteiset sulakkeet, eFuse-komponentit ovat uudelleen asetettavissa joko automaattisesti tai mikro-ohjaimen lähettämän signaalin välityksellä, mikä mahdollistaa nopean toipumisen ja lyhyen katkoajan.

Kuva 1: Esimerkki eFuse-suojausratkaisulla toteutetusta sovelluskytkennästä (Lähde: Toshiba).
Puolijohdepiirinä eFuse-komponentit tarjoavat suuren joukon erilaisia konfiguroitavia ominaisuuksia perussuojauksen lisäksi. Näitä ovat käynnistysvirtasysäyksen ohjaaminen säädettävän antovirran muuttumisnopeuden avulla, jännitteen lukitus pitämään lähtöjännitteen turvallisen kynnysjännitteen alapuolella sekä alijännitteen esto (UVLO) varmistamaan toiminta ainoastaan validien tulorajojen sisällä. Tarjolla on myös estosuuntaisen virran suojaus takaisinvirtauksen estämiseksi teholähteeseen, säädettävät virtarajat järjestelmävaatimusten mukaisesti sekä lämpötilasuojaus kuumenemisen estämiseksi. Lisäksi eFuse-komponentit on varustettu status-takaisinkytkennällä ja ohjausliitännällä monitorointia ja etäasetusta varten. Edellä mainitut edistyneet ominaisuudet tekevät eFuse-komponenteista soveliaita järjestelmiin, joissa vaatimuksina ovat suuri luotettavuus, kompakti suunnittelu ja älykäs vikojenhallinta.
Erityisiä eFuse-komponenttien käyttökohteita
Nykyiset elektroniikkajärjestelmät syöttävät usein tehoa ulkoisiin laitteisiin, jotka ovat jonkun muun valmistajan suunnittelemia, jolloin lisääntyy potentiaalinen riski ylikuormituksille, oikosuluille ja jännitepoikkeamille. Tyypillisiä esimerkkejä ovat USB- ja SATA-liitännät PC:issä ja sylimikroissa, mittauspään tehonsyötöllä tai uudelleen ladattavalla akulla varustetut testaus- ja mittauslaitteet sekä teollisuusjärjestelmät, kuten PLC:n tehonsyötön modulaariset laajennukset (kuva 2). Kaikissa näissä tapauksissa eFuse-komponentit tarjoavat nopean, tarkan ja konfiguroitavissa olevan suojauksen luotettavuuden ja käyttöturvallisuuden varmistamiseksi.

Kuva 2: USB-latausjohdon suojaus Toshiban TCKE805NA eFuse:lla toteutettuna (Lähde: Toshiba).
On suoraviivaista integroida eFuse: suunnittelija asettaa virtarajoituksen ulkoisella vastuksella, muodostaa käynnistyssysäysvirran ohjauksen kondensaattorilla ja hallinnoi enable/UVLO-nastaa mikro-ohjaimen liitännässä. Näitä selkeitä suunnitteluvaiheita noudattaen suunnittelijat voivat parantaa suojausta varsin helposti.
Yhteenveto ja näkymät jatkossa
Julkistamalla ensimmäisen eFuse-sarjansa vuonna 2020 Toshiba on panostanut passiivisten suojauspiirien sijaan älykkäisiin, konfiguroitaviin suojausratkaisuihin. Perinteisiin sulakkeisiin verrattuna eFuse-komponentit ovat uudelleen käytettäviä, tarjoavat tarkan virranrajoituksen ja ovat varustettu edistyneillä ominaisuuksilla, kuten yli- ja alijännitesuojauksella, lämpötilasuojauksella ja käynnistysvirtasysäyksen hallinnalla. Niissä yhdistyvät PPTC-komponenttien uudelleenkäytettävyys sekä puolijohdetekniikan tarjoama nopeus ja tarkkuus, jotka on koteloitu kompaktiin pintaliitettävään muotoon, ja ulkoisten komponenttien tarve on minimaalinen. IEC 62368- ja UL-standardien mukaisuus helpottaa lopputuotteen sertifiointia.
Toshiba on jatkuvasti laajentanut eFuse-tuotevalikoimaansa markkinoiden kysynnän mukaisesti. TCKE8-sarja muodostaa perustan kompakteille, älykkäille suojausratkaisuille. Kehittyneempi TCKE9-sarja on optimoitu kulutus- ja IoT-sovelluksiin, joissa on tarvetta käsitellä suurempia virtoja ja joissa kompakti kotelointi on tärkeää. TCKE6-sarja on suunnattu 24 voltin teollisiin järjestelmiin, joissa enimmillään 40 voltin jännitearvot ovat mahdollisia. Kehitteillä ovat myös 48 voltin ympäristöihin soveltuvat tuotteet, joiden käyttökohteita tulevat olemaan tehdasautomaation ja tehonjakelun sovellukset.
Tehonjakelujärjestelmien monimutkaisuus lisääntyy sellaisten trendien kuin IoT:n, Industry 4.0:n ja suurjännitearkkitehtuurien vaikutuksesta, jolloin älykkäämpien, nopeampien ja yhä integroidumpien suojausratkaisujen kysyntä kasvaa edelleen. Tulevaisuudessa eFuse-komponenttien todennäköisimpiä ominaisuuksia ovat yhä suuremmat jännitealueet teollisuuden ja autoteollisuuden sovelluksissa, kehittyneemmät diagnostiikka- ja tiedonsiirtoliitännät ennakoivaa huoltoa varten sekä järjestelmätason valvonnan integrointi täysin yhdistettyyn tehonhallintaan. Hyödyntämällä eFuse-komponentteja jo nyt suunnittelijat voivat varmistaa järjestelmiensä valmiuden parempaan luotettavuuteen, turvallisuuteen ja skaalautuvuuteen tulevaisuuden verkottuneessa maailmassa.






















