
Generatiivisen tekoälyn nopea yleistyminen ja erityisesti paljon tehoa kuluttavat GPU:t ovat nostaneet palvelinkaappien tehontarpeen muutamassa vuodessa kymmenistä kilowateista reilusti yli 100 kilowattiin. Lähitulevaisuudessa puhutaan jo megawatin tehotasoista per räkki.
| Kirjoittaja Roland Saint-Piere, Power Integrations |
NVIDIAn tuore blogi tiivistää haasteen suoraan: näin suurta tehoa ei ole enää käytännöllistä eikä taloudellista siirtää perinteisillä matalajännitteisillä ratkaisuilla, kuten 54 voltin tasajännitteellä.
Ratkaisuksi ala on siirtymässä 800 voltin DC-väylään seuraavan sukupolven tekoälydatakeskuksissa eli niin sanotuissa “AI-tehtaissa”. Korkeampi jännite parantaa merkittävästi energiansiirron hyötysuhdetta, vähentää kaapelihäviöitä ja yksinkertaistaa räkkiarkkitehtuuria. Samalla se mahdollistaa skaalautuvan ja kustannustehokkaan infrastruktuurin.
Miksi 800 V DC yleistyy
Korkeampi jännite tuo useita selkeitä etuja.
Ensinnäkin tehotiheys kasvaa ja skaalautuvuus paranee. Kun jännite nostetaan 48 voltista 800 volttiin, 400 kilowatin kaapin virta putoaa noin 8333 ampeerista 500 ampeeriin.
Toiseksi energiatehokkuus paranee. Suurempi jännite pienentää resistiivisiä I²R-häviöitä siirrossa, mikä vähentää hukkatehoa ja lämpökuormaa. Samalla vältetään useita perinteisiä AC-DC- ja DC-DC-muunnosvaiheita, jolloin kokonaisjärjestelmän hyötysuhde paranee yli viisi prosenttia.
Kolmanneksi kustannukset ja monimutkaisuus vähenevät. Pienempi virta tarkoittaa ohuempia johtimia ja pienempiä liittimiä. Kuparin käyttö voi vähentyä jopa 45 prosenttia megawatin räkkiä kohden. Tämä säästää materiaaleissa ja vapauttaa tilaa laskentateholle.
Lisäksi luotettavuus ja lämpöhallinta paranevat. Yksinkertaisempi rakenne vähentää vikapisteitä ja pienentää lämpökuormaa, mikä helpottaa jäähdytystä tiheissä tekoälyjärjestelmissä.

Kuva 1: 800 voltin DC-arkkitehtuuri tekoälydatakeskuksiin.
Muunnos 800 voltista alemmille tasoille
Räkkitasolla 800 voltin jännite pitää muuntaa alemmille tasoille, kuten 54 tai 12 volttiin. Tähän on useita teknologisia vaihtoehtoja.
Piikarbidi eli SiC kestää hyvin 1200 voltin jännitteet ja tarjoaa riittävän marginaalin 800 voltin järjestelmiin. Sen heikkous on kuitenkin rajallinen kytkentätaajuus, mikä rajoittaa tehotiheyttä verrattuna galliumnitridiin perustuviiin ratkaisuihin.
Perinteiset GaN-komponentit toimivat tyypillisesti 650–750 voltin alueella, mikä ei riitä suoraan 800 voltin väylään. Tätä on yritetty kiertää kytkemällä useita komponentteja sarjaan. Ratkaisu toimii, mutta lisää ohjauksen monimutkaisuutta, kasvattaa häviöitä ja heikentää luotettavuutta.
Kolmas vaihtoehto on korkean jännitteen GaN. Power Integrationsin PowiGaN-teknologia mahdollistaa jopa 1700 voltin GaN-komponentit. Näin vältetään sarjakytkennät, yksinkertaistetaan rakennetta ja saavutetaan korkea kytkentätaajuus sekä hyvä hyötysuhde.
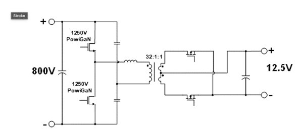
PowiGaN yksinkertaistaa arkkitehtuuria
1250 voltin PowiGaN-kaskodikytkimellä suunnittelijat voivat käyttää noin 1000 voltin huippujännitteitä ja silti säilyttää teollisuudessa tyypillisen 80 prosentin derating-marginaalin.
1700 voltin versio mahdollistaa vielä korkeammat käyttöjännitteet ilman hyötysuhteen heikkenemistä.
Kun PowiGaN-ratkaisua verrataan perinteiseen 650 voltin GaN-sarjakytkentään, erot ovat selviä. Rakenteesta tulee yksinkertaisempi, komponenttimäärä pienenee ja hyötysuhde paranee. SiC:hen verrattuna PowiGaN mahdollistaa korkeammat kytkentätaajuudet samalla johtoresistanssilla, mikä näkyy parempana tehotiheytenä ja lämpökäyttäytymisenä.

Kuva 2: PowiGaN-teknologiaan perustuva IBC-rakenne.

Taulukko 1: Vertailu sarjakytketyn ratkaisun ja 1250 voltin PowiGaNiin perustuvan yksittäisen puolisilta-LLC:n välillä.

Taulukko 2: Vertailu 1250 voltin PowiGaNin ja 1200 voltin SiC MOSFETien välillä.
Luotettavuus ja apujännitelähteet
Power Integrationsin GaN-transistorit ovat niin sanottuja depletion mode -komponentteja, jotka toteutetaan kaskodikytkennällä piipohjaisen MOSFETin kanssa. Näin saadaan normaalisti suljettu rakenne, joka on turvallinen järjestelmätasolla.
Rakenteen etuna on myös se, ettei tarvita p-tyypin GaN-hilaa. Tämä vähentää kynnysjännitteen driftia ja parantaa pitkän aikavälin luotettavuutta suurilla jännitteillä.
Apujännitelähteisiin yhtiö tarjoaa 1700 voltin PowiGaN InnoMux2-EP -piirin, joka sisältää sekä tehotransistorin että ohjauksen ja suojaukset. Komponentti toimii SR-ZVS-tilassa ja saavuttaa yli 90 prosentin hyötysuhteen 12 voltin lähdössä nestekylmennetyissä, tuulettimettomissa 800 voltin arkkitehtuureissa.
Yhteenveto
800 voltin DC-väylä on nopeasti nousemassa standardiksi tekoälydatakeskuksissa. Se ratkaisee tehonsiirron pullonkauloja, parantaa hyötysuhdetta ja pienentää infrastruktuurin kustannuksia.
Korkean jännitteen GaN, erityisesti PowiGaN, tarjoaa tähän siirtymään käytännöllisen toteutustavan. Se yhdistää korkean kytkentätaajuuden, hyvän hyötysuhteen ja yksinkertaisen arkkitehtuurin tavalla, joka sopii seuraavan sukupolven suurtehoisiin AI-järjestelmiin.
Renesasin artikkeli löytyy uudesta ETNdigi-lehdestä. Äänestä lehden parasta artikkelia ja voit voittaa Huawein uuden Watch GT Runner 2 -älykellon. Ohjeet täällä.
























