Sähkömoottorien ohjauksessa siirrytään IGBT-transistoreista SiC-kytkimiin niiden lukuisten etujen vuoksi. Esimerkiksi AC-moottorin invertterin hyötysuhde voidaan nostaa yli 98 prosenttiin, jolloin rakenteen tiheyttä voidaan lisätä. Kaiken takana ovat piikarbidin pienemmät kytkentähäviöt, korkeampi käyttölämpötila, parempi lämmönjohtavuus ja suurempi kytkentätaajuus, kirjoittaa Toshiba Electronics Europe.
Teollisuuden sähkömoottorit muodostavat merkittävän osan koko energiankulutuksesta, varsinkin Yhdysvalloissa, missä kolmivaihemoottorit vievät lähes 30 prosenttia sähköverkon kuormituksesta1). Kansainvälinen energiajärjestö IEA korostaa USA:n teollisuuden merkittävää potentiaalia energiansäästössä, sillä moottorijärjestelmien päivitykset voisivat yltää jopa 70 prosentin kokonaissäästöihin.
Myös Euroopassa lainsäädännön toimenpiteet, kuten NZIA2) (Net-Zero Industry Act) ja Fit for 5533), korostavat EU-alueen sitoutumista kestävään energiankäyttöön teollisuudessa.
Tämä on johtanut moottorien tarkempaan optimointiin käyttökuormien mukaan sekä invertterien käyttämiseen nopeuden säätämisessä. Tehopuolijohteiden uusimpaan teknologiaan perustuvaa piikarbidia (SiC) pidetään hyvänä vaihtoehtona IGBT-kytkimille seuraavan sukupolven moottori-inverttereissä, sillä se mahdollistaa paremman hyötysuhteen ja pienemmän energiankulutuksen teollisissa sovelluksissa.
IGBT:llä vakiintunut asema
IGBT-transistori on jo pitkään ollut ensisijainen kytkinkomponentti AC-moottorien inverttereissä. IGBT tukee teollisia ja energianmuunnokseen perustuvia sovelluksia, joiden jännitteet ovat alueella 300 - 6000 volttia ja virrat muutamasta ampeerista kiloampeeriin. Rakenteeltaan IGBT on muuten samanlainen kuin bipolaarinen liitostransistori, mutta siinä on MOSFET-tyyppinen eristehila, jonka ansiosta se voi toimia tehokkaasti jopa 30 kilohertsin kytkentätaajuuksilla.
Historiallisesti IGBT-kytkimet ovat hallinneet yli 600 voltin sovelluksia, ja niiden suorituskyky on parantunut jatkuvasti ns. Kelvin-nastojen lisäämisen ansiosta. Niiden hyödyntäminen parantaa ohjausta ja vähentää sähkömagneettisia häiriöitä.
Laajan energiakaistavälin (WBG) omaavan piikarbidin yleistymisen myötä tilanne on kuitenkin muuttumassa. SiC-mosfetin hyödyntäminen tarjoaa suunnittelijoille entistä energiatehokkaamman vaihtoehdon.
Piikarbidilla on kolme keskeistä etua IGBT-kytkimeen verrattuna:
- Pienemmät kytkentähäviöt
- Suuremmat kytkentätaajuudet
- Parempi lämmönjohtavuus
SiC-mosfetilla on huomattavasti nopeampi sammutus ja lyhyempi häntävirta, joten se voi IGBT:n korvatessaan vähentää häviöitä jopa yli 60%. Käynnistyshäviöitä voidaan puolestaan vähentää yli 50 prosenttia (kuva 1). Johtumis- ja diodihäviöiden osalta etuja saavutetaan osittaisen kuorman olosuhteissa. Muutoin johtumishäviöt ovat pieniä verrattuna käynnistys- ja sammutushäviöihin.
Kuva 1. SiC-mosfetin (vasen) ja IGBT:n (oikea) kytkentähäviöiden vertailu.
SiC-pohjaista invertteriä voidaan kytkeä IGBT:tä suuremmilla taajuuksilla ja se toimii mukavasti 50 – 200 kilohertsin taajuusalueella ammattitason toteutuksissa. Tämä vaikuttaa suoraan passiivisiin komponentteihin, erityisesti tasavirtalinkin kondensaattoriin. Koska tämä komponentti voi yksinään viedä 20 - 50 prosenttia invertterin koko tilavuudesta, jo pienikin parannus kytkentätaajuudessa johtaa selvästi kompaktimpaan ja kevyempään rakenteeseen.
Entistä kompaktimpien invertterien kysynnän kasvaessa lämpöongelmat yleistyvät, mikä on iso haaste IGBT-kytkimille, koska ne ovat alttiita lämpöryntäykselle. Vertailun vuoksi SiC-mosfetit soveltuvat paljon paremmin kooltaan pienten ja tiheiden invertterien kehittämiseen, sillä niiden lämmönjohtavuus on selvästi parempi.
Ohjauspiireissä eroja
IGBT:n kanssa käytettävien hilaohjainten suunnitteluperiaatteita voidaan soveltaa myös SiC-transistoreihin. Hilaohjainpiirin nastojen sijoittelun edistyneen standardoinnin ansiosta eri vaihtoehtojen testaaminen ennen optimaalisen piirin valitsemista on suhteellisen helppoa. Kehittäjien kannattaa kuitenkin tarkastella joitakin spesifikaatioita valintaa tehdessään.
Suurempien kytkentätaajuuksien lisäksi on yleensä täytettävä myös tiukemmat muutosnopeuksien, tulo-/lähtövirtojen ja etenemisviiveiden vaatimukset. Kelvin-nastalla varustetun mosfetin valitseminen auttaa myös välttämään induktanssin kielteistä vaikutusta lähdön kuormituspolulla.
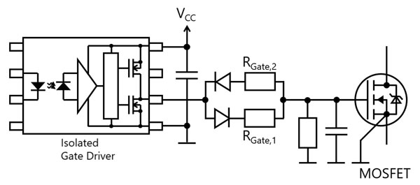
Hilan signaalipolulle voidaan lisätä yksi tai kaksi diodia, jotta päälle- ja poiskytkentää voidaan ohjata erikseen. Lisäksi voidaan sijoittaa RC-piiri hilalinjasta maatasoon (kuva 2).

Kuva 2. Eristetyllä hilaohjaimella varustetun SiC-mosfetin hilapiirin perusrakenne.
Kolmannen polven SiC
Toshiba on julkaissut kolmannen sukupolven SiC MOSFET -transistorinsa, jotka parantavat kytkennän suorituskykyä ja yksinkertaistavat suunnittelua hyödyntämällä aiempien sukupolvien kokemuksia. Tärkeimpiä parannuksia ovat:
- RDS(ON)-arvon pienempi muutos käyttöiän aikana
- Alhainen RDS(ON) × Qgd -arvo
- Laaja VGSS -alue
- Korkea ja kapea Vth-ikkuna
Schottky-diodi (SBD) on sijoitettu sirulla suoraan transistorin viereen ja sillä on sama virta kuin mosfetilla. Sen VF-arvo on vain noin 1,35 volttia 1200 voltin piirissä. Koska vastakkainen virta kulkee SBD:n eikä heikon runkodiodin läpi, kidevikojen syntyminen transistorin alueella voidaan välttää. Tämä parantaa kestävyyttä ja varmistaa tasaisen RDS(ON)-arvon koko käyttöiän ajan.
Myös RDS(ON) × Qgd -arvo on parantunut 80 prosenttia edellisen sukupolven piireihin verrattuna. Tämä pienentää hilan varaamiseen ja purkamiseen tarvittavaa virtaa, mikä lyhentää kytkentäaikoja ja parantaa kytkennän suorituskykyä.
Viimeinen parannus liittyy hilan ja lähteen väliseen maksimijännitteeseen (VGSS). Laajan jännitealueen -10…+25 V ansiosta hila on vähemmän herkkä pienille yli- tai alijännitteille. Yhdessä 3 – 5 voltin kynnysjänniteikkunan (Vth) kanssa rakenne on vähemmän altis virheellisille käynnistyksille siltahaarassa, kun toimitaan sähköisiä häiriöitä ja kohinaa sisältävissä ympäristöissä.
Toshiban kolmannen sukupolven 650 voltin SiC-MOSFET-valikoimassa (kuva 3) on tarjolla kolmi- ja nelinastaisia piirejä, joiden RDS(ON) -arvot ulottuvat 107 milliohmista aina tasolle 15 mΩ asti. Piirejä on saatavissa pakattuina TO-247 ja TO-247-4L -koteloihin. Myöhemmin tulossa ovat myös TOLL- ja 8 x8 millin DFN-kotelot.
1200 voltin jännitealueelle on tarjolla kolmi- ja nelinastaisia SiC-versioita, joiden RDS(ON)-resistanssiarvot ulottuvat 140 milliohmista tasolle 15 mΩ asti. Kummallekin jänniteluokalle on spesifioitu kanavan maksimilämpötilaksi 175 °C.

Kuva 3. Saatavilla olevat Toshiban kolmannen sukupolven SiC-mosfetit, joiden VDSS on 650 V tai 1200 V (massatuotanto alkanut tänä vuonna).
Integrointi AC-moottorin invertteriin
Näiden SiC-piirien suorituskyvyn evaluointia varten kehitettiin 400 voltin kolmivaiheiselle AC-moottorille invertteri, joka muuten käyttäisi tyypillisesti IGBT-transistoreita. Tämä RD220-alusta tukee sekä kolmi- että nelinastaisten SiC-piirien TW045x120C käyttöä yhdessä optisesti erotetun hilaohjaimen TLP5774H kanssa (kuva 4). Kytkentäpolulla käytetään 33 ohmin vastusta, kun taas sammutuspolku on toteutettu yhdellä diodilla.
RD220-referenssialustan ensimmäinen piirilevy on tasasuuntimen sisältävä AC-DC-muunnin (B6U), joka voi tuottaa jopa 530 – 670 voltin DC-linkin. Toisella piirilevyllä on invertteri, joka voi tuottaa kolmivaiheista 360 – 440 voltin AC-virtaa enintään 15 ampeeria.

Kuva 4. Evaluointialusta RD220 on tarkoitettu kaiken kattavaksi referenssiksi SiC-pohjaisen moottori-invertterin suunnitteluun.
Myös moottorin vaiheiden (U, V, W) viantunnistus, ylivirta- ja ylijännitetilanteiden tunnistus sekä ylilämpötilan valvonta komparaattorilla TC75W95FU on integroitu mukaan invertteriin (kuva 5). Kumpikin kortti toimii 20 voltin ohjausjännitteellä, ja invertteriä voidaan jäähdyttää konvektion tai paineilman avulla.

Kuva 5. Lohkokaavio 400 voltin invertteristä, jossa on kolmannen sukupolven SiC-mosfetit sekä eristetyt hilaohjaimet ja vahvistimet.
Käyttämällä 5 kilohertsin kytkentätaajuutta invertteri yltää 98,6 % hyötysuhteeseen ja 11,6 Nm maksimivääntömomenttiin, kun käytetään nimellisteholtaan 2,2 kilowatin moottoria (kuva 6).

Kuva 6. Kolmivaiheisen 400 voltin AC-moottorin invertterin hyötysuhde vääntömomentin eri arvoilla.
Piikarbidiin siirtyminen etenee
On selvää, että parhaillaan siirrytään IGBT-transistoreista SiC-kytkimiin sovelluksissa, joissa niistä on odotettavissa konkreettisia hyötyjä. Niille, jotka haluavat merkittävästi parantaa moottorin invertteriosan tiheyttä tai siirtyä konvektiojäähdytteiseen rakenteeseen, piikarbidin korkeampi käyttölämpötila, parempi lämmönjohtavuus ja korkeampi kytkentätaajuus ovat houkuttelevia ominaisuuksia.
Toshiban tekemät parannukset kolmannen sukupolven SiC-MOSFET-transistoreihin helpottavat hilaohjaimen yksinkertaistetun rakenteen ansiosta siirtymistä pois IGBT-transistoreista jopa sovelluksissa, joissa esiintyy suuria induktiivisia kuormia.
Joidenkin tapausten kohdalla aiemmassa toteutuksessa käytetty IGBT:n vanha hilaohjain voidaan säilyttää. Jos muutos kuitenkin katsotaan tarpeelliseksi, uusia SiC-kytkimiä tuetaan useilla eristetyillä hilaohjaimilla, jotka täyttävät seurantanopeudelle ja etenemisviiveelle asetetut vaatimukset sekä rajoittavat samalla kanavan vinoutumista.
Evaluointia varten kehitetyt referenssialustat, kuten RD220, tarjoavat myös hyvän lähtökohdan niille, jotka haluavat tutustua piikarbidin tarjoamiin etuihin vaihtovirtamoottorien invertterien suunnittelussa.
Viitteet
- https://theramreview.com/in-perspective-usdoes-study-of-electric-motor-systems-2021-edition-part-ii/
- https://single-market-economy.ec.europa.eu/industry/sustainability/net-zero-industry-act_en
- https://www.consilium.europa.eu/en/policies/green-deal/fit-for-55/
























